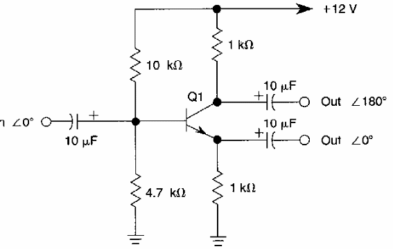
Encontrado en la documentación estadounidense de los años 90, este circuito proporciona señales en fase y en oposición de fase a la entrada. El transistor es el 2N2222.

Separador de fase 2
Encontrado en la documentación estadounidense de los años 90, este circuito proporciona señales en fase y en oposición de fase a la entrada. El transistor es el 2N2222.
