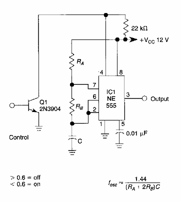
Este oscilador disparado de 1 kHz se encontró en un Electronics Now de los años 90. El circuito se dispara cuando se aplica un pulso positivo a la base de Q1.

Oscilador disparado 2
Este oscilador disparado de 1 kHz se encontró en un Electronics Now de los años 90. El circuito se dispara cuando se aplica un pulso positivo a la base de Q1.
