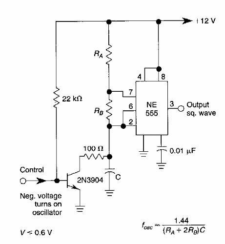
Este oscilador que se encuentra en una Electronics Now de los años 90 es del tipo Normalmente apagado, y se dispara por una tensión negativa aplicadao a la base del transistor (conectado a tierra).

Oscilador gatillado 1 kHz 1
Este oscilador que se encuentra en una Electronics Now de los años 90 es del tipo Normalmente apagado, y se dispara por una tensión negativa aplicadao a la base del transistor (conectado a tierra).
