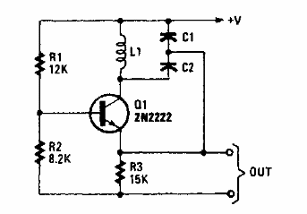
Encontrado en una Popular Electronics desde los años 90, este circuito alcanza unas pocas decenas de megahertz. L1, C1 y C2 determinan la frecuencia de operación.

Oscilador Colpitts
Encontrado en una Popular Electronics desde los años 90, este circuito alcanza unas pocas decenas de megahertz. L1, C1 y C2 determinan la frecuencia de operación.
