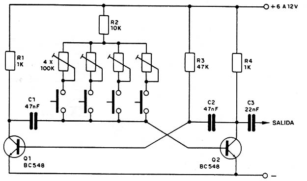
La frecuencia de cada canal se ajusta en dos trimpots. La frecuencia media está determinada por los capacitores C1 y C2. Pueden usarse mas canales si las frecuencias seleccionadas no son armónicas.

La frecuencia de cada canal se ajusta en dos trimpots. La frecuencia media está determinada por los capacitores C1 y C2. Pueden usarse mas canales si las frecuencias seleccionadas no son armónicas.
