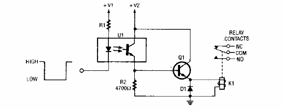
Este circuito de una Popular Electronics de los años 90 usa un acoplador común y un transistor de propósito general para controlar un relé sensible que puede ser de 6 a 12 V.

Shield aislado para relé
Este circuito de una Popular Electronics de los años 90 usa un acoplador común y un transistor de propósito general para controlar un relé sensible que puede ser de 6 a 12 V.
