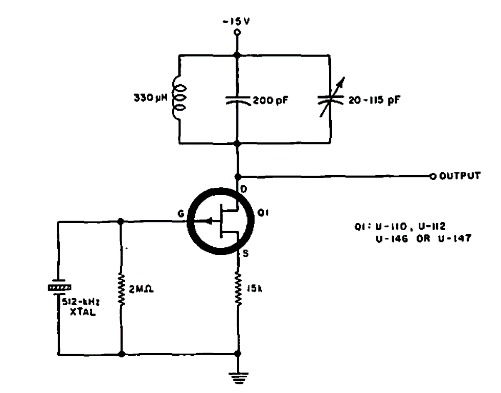
Los valores de los componentes utilizados en este circuito de una Electronics World de 1967 son para una frecuencia de 512 kHz. La alimentación puede estar entre 6 y 22 V y el FET es para uso general.

 

Oscilador Miller con FET
Oscilador Miller con FET | Haga click en la imagen para ampliar |