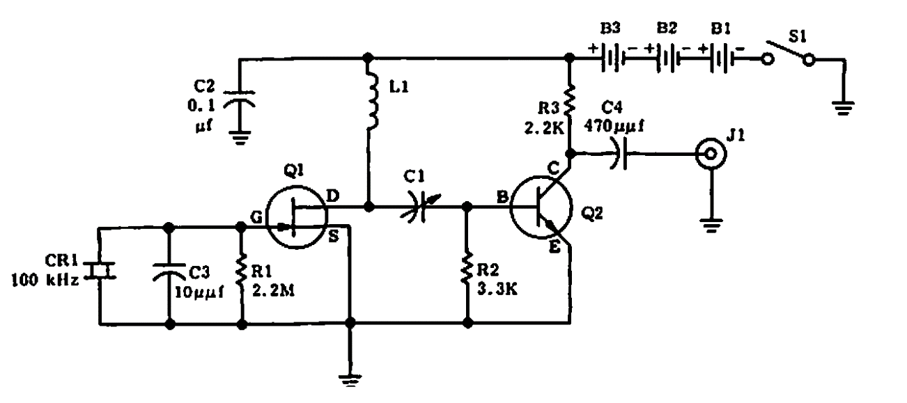
Este oscilador de 100 kHz se encontró en una publicación de Motorola de 1966. Los transistores son de tipos adecuados para la frecuencia generada y L1 / C1 dependen de esa frecuencia.
Encontramos este oscilador en una publicación de los años 60. La frecuencia es alrededor de 600 Hz...
Si bien se trata de una configuración ya superada, pues podemos tener osciladores con componentes más...
Esta alarma crea una "barrera luminosa" que al ser interrumpida provoca el disparo de una sirena,...