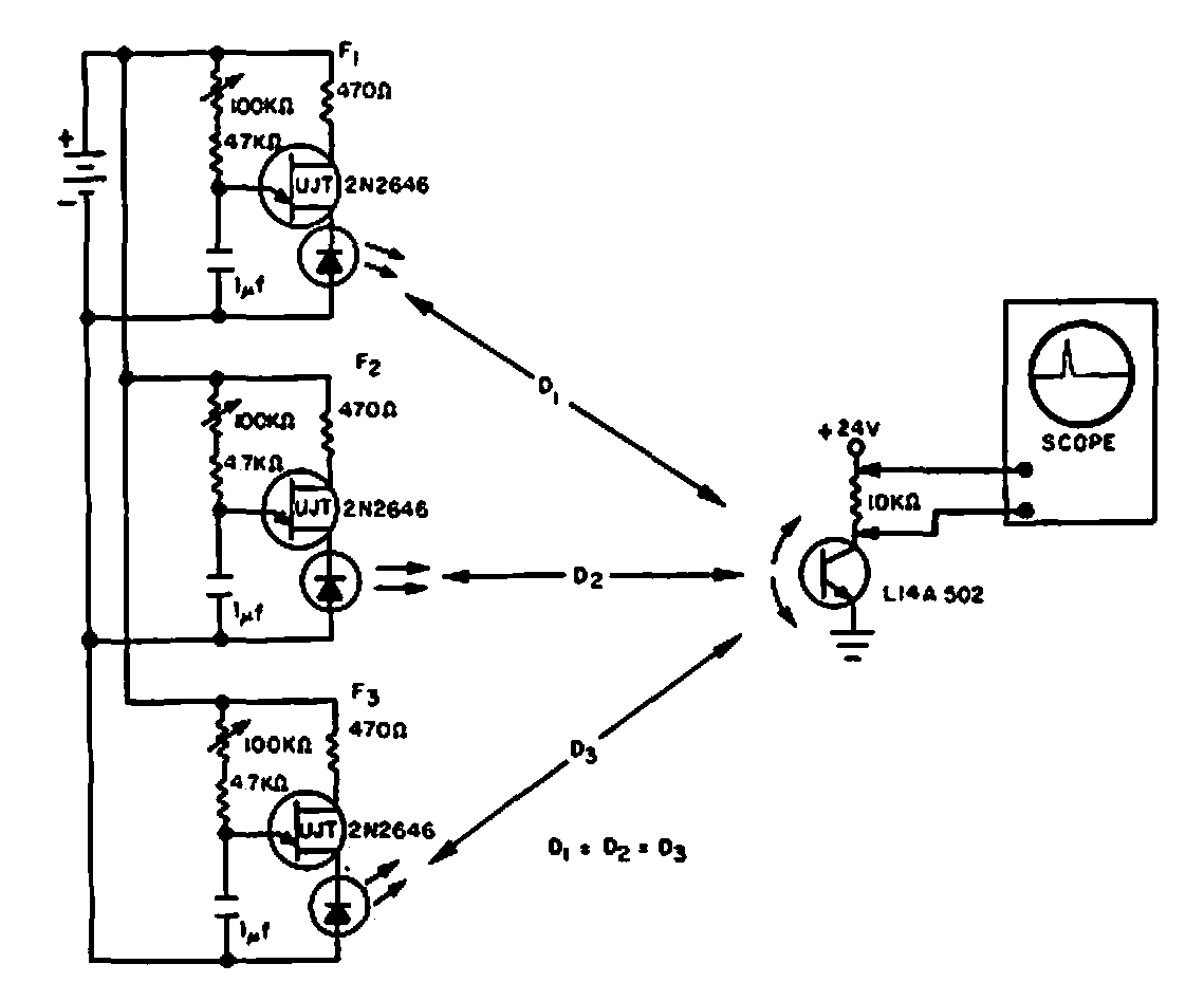
Encontrado en una publicación de 1970 por General Electric, este circuito utiliza un fototransistor móvil para escanear la emisión de tres emisores con LED. El circuito le permite ver sus pulsos en un osciloscopio.

 

Detector de posición
Detector de posición | Haga click en la imagen para ampliar |