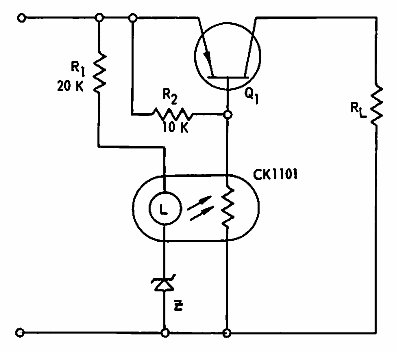
Encontrado en documentación de Raytheon de 1967, este circuito utiliza un acoplador de la compañía que consiste en una lámpara y un LDR. El transistor está de acuerdo con la corriente de carga.

Protección contra subtensión
Encontrado en documentación de Raytheon de 1967, este circuito utiliza un acoplador de la compañía que consiste en una lámpara y un LDR. El transistor está de acuerdo con la corriente de carga.
