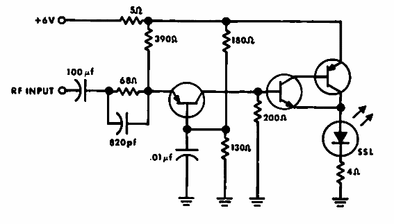
Este circuito es de una documentación de General Electric de 1970. Los transistores pueden ser de uso general, excepto por la potencia que puede ser un BD136.

Modulador de haz de luz
Este circuito es de una documentación de General Electric de 1970. Los transistores pueden ser de uso general, excepto por la potencia que puede ser un BD136.
