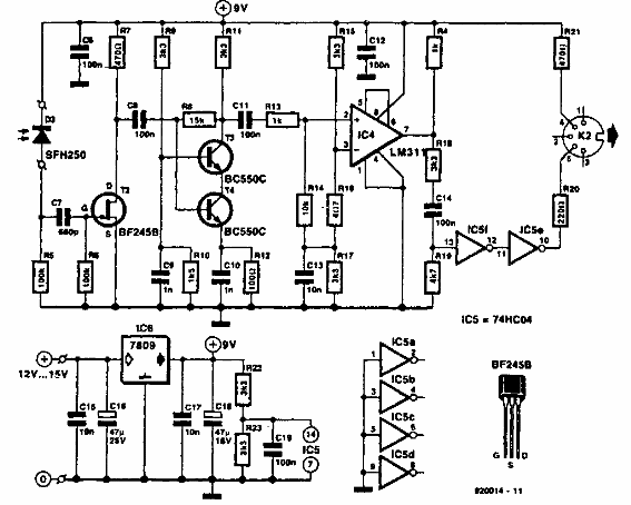
Este circuito para instrumentos musicales se encontró en un Elektor de los años 90. El circuito todavía se aplica, ya que los componentes utilizados todavía se pueden obtener con cierta facilidad.

Interfaz MIDI
Este circuito para instrumentos musicales se encontró en un Elektor de los años 90. El circuito todavía se aplica, ya que los componentes utilizados todavía se pueden obtener con cierta facilidad.
