Encontrado en la documentación estadounidense de los años, este circuito genera 300 Hz dependiendo de los capacitores utilizados. Estos componentes se pueden cambiar para obtener otras frecuencias.

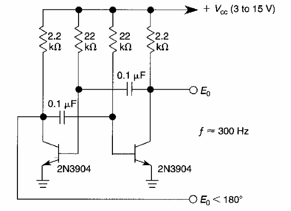
Astable de 300 Hz
Encontrado en la documentación estadounidense de los años, este circuito genera 300 Hz dependiendo de los capacitores utilizados. Estos componentes se pueden cambiar para obtener otras frecuencias.
