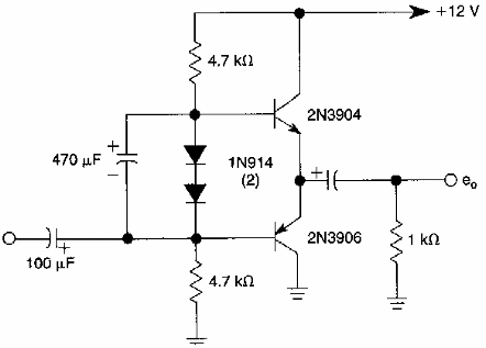
Este seguidor de emisor complementario o bilateral se encontró en una documentación estadounidense de los años 90. El circuito se usa ampliamente como salida de audio para amplificadores de audio transistorizados.

Seguidor de emisor complementario
Este seguidor de emisor complementario o bilateral se encontró en una documentación estadounidense de los años 90. El circuito se usa ampliamente como salida de audio para amplificadores de audio transistorizados.
