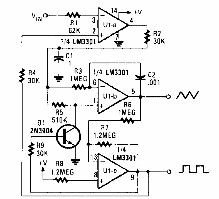
Este circuito PLL con operacional común se encontró en una Popular Electronics de los años 90. La fuente de alimentación no necesita ser simétrica.

PLL
Este circuito PLL con operacional común se encontró en una Popular Electronics de los años 90. La fuente de alimentación no necesita ser simétrica.
