Encontrado en documentación antigua, este circuito tiene una configuración ya explorada en muchos de nuestros artículos. De hecho, La alimentación puede hacerse con tensiones de 5 a 9 V.

Prueba de continuidad audible 555
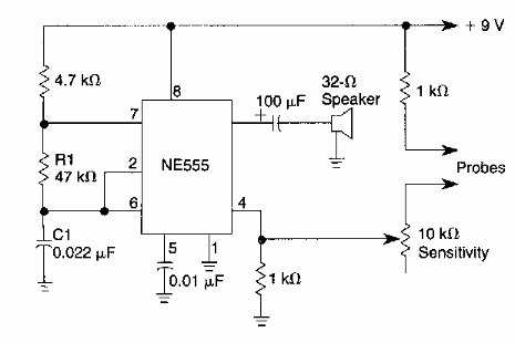
Encontrado en documentación antigua, este circuito tiene una configuración ya explorada en muchos de nuestros artículos. De hecho, La alimentación puede hacerse con tensiones de 5 a 9 V.
