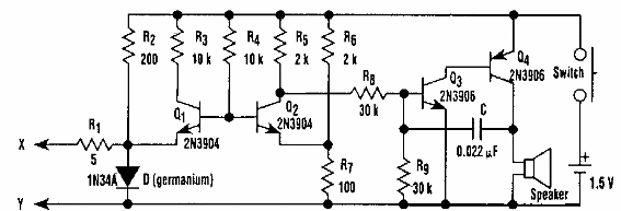
De hecho, es un probador de continuidad sugerido por una Electronic Design de los años 90. Los transistores son de propósito general. La alimentación consiste en una sola batería.

Detector de cortos
De hecho, es un probador de continuidad sugerido por una Electronic Design de los años 90. Los transistores son de propósito general. La alimentación consiste en una sola batería.
