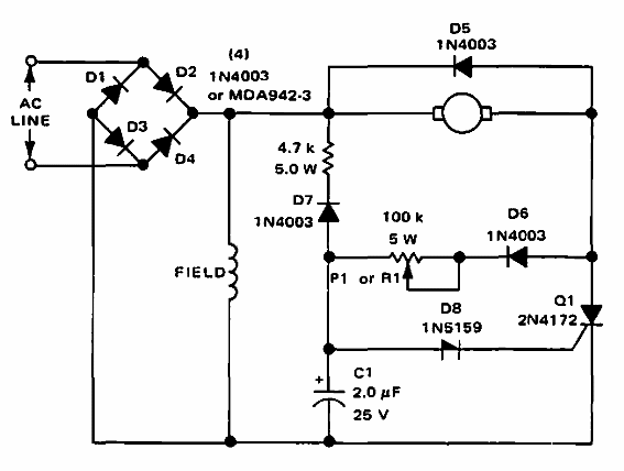
Este control para motores de 1/15 HP con 5,000 rpm para red de 115 V fue sugerido por un manual de circuito de Motorola de 1968. El SCR admite equivalentes más modernos.

Control de motor de derivación
Este control para motores de 1/15 HP con 5,000 rpm para red de 115 V fue sugerido por un manual de circuito de Motorola de 1968. El SCR admite equivalentes más modernos.
