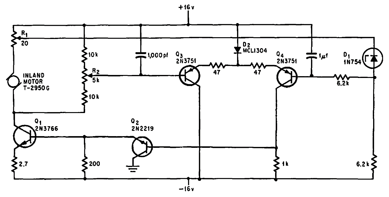
Encontrado en una publicación estadounidense de 1968, este circuito tiene como objetivo mantener constante el par de un motor de CC. El transistor de potencia depende del motor.
Encontramos este oscilador en una publicación de los años 60. La frecuencia es alrededor de 600 Hz...
Si bien se trata de una configuración ya superada, pues podemos tener osciladores con componentes más...
Esta alarma crea una "barrera luminosa" que al ser interrumpida provoca el disparo de una sirena,...