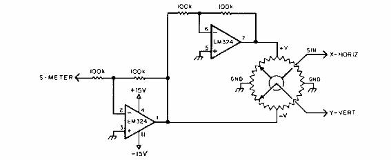
Este circuito, encontrado en una revista 73 para radioaficionados, se utiliza en la radio localización. El circuito convierte los patrones polares en rectangulares, generando un patrón para la radio localización.

Convertidor polar a rectangular
Este circuito, encontrado en una revista 73 para radioaficionados, se utiliza en la radio localización. El circuito convierte los patrones polares en rectangulares, generando un patrón para la radio localización.
