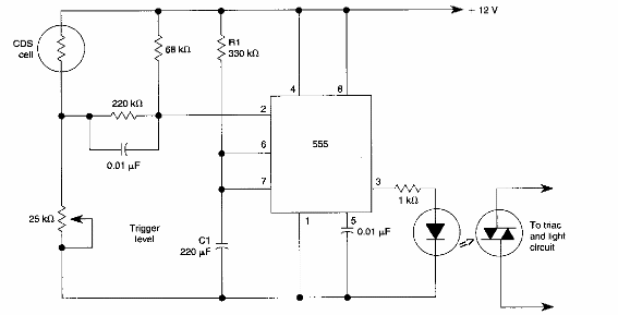
Este circuito se encontró en una documentación estadounidense de los años 90. Los recursos ópticos con el LDR como lente pueden ayudar a obtener directividad y sensibilidad.

Control de linterna
Este circuito se encontró en una documentación estadounidense de los años 90. Los recursos ópticos con el LDR como lente pueden ayudar a obtener directividad y sensibilidad.
