Este circuito tiene la intensidad de las señales controladas por la luz que cae sobre el sensor. Tenga en cuenta que no es un oscilador controlado por frecuencia. Se pueden usar transistores equivalentes.

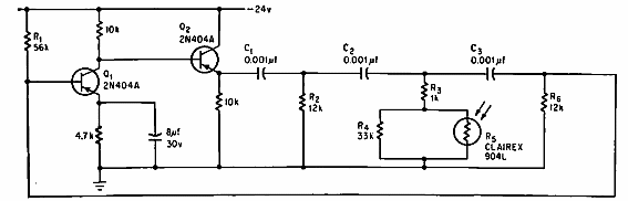
Oscilador controlado por luz
Este circuito tiene la intensidad de las señales controladas por la luz que cae sobre el sensor. Tenga en cuenta que no es un oscilador controlado por frecuencia. Se pueden usar transistores equivalentes.
