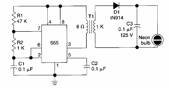
Encontrado en una Radio Electronics de los años 90, este circuito está destinado a la activación de una lámpara de neón desde una fuente de 9 V. La alimentación positiva se realiza en los pinos 4 y 8.

Driver de 9 V para lámpara de neón
Encontrado en una Radio Electronics de los años 90, este circuito está destinado a la activación de una lámpara de neón desde una fuente de 9 V. La alimentación positiva se realiza en los pinos 4 y 8.
