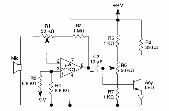
Este circuito se encontró en una documentación estadounidense de los años 90. El circuito utiliza un LED que puede ser de un tipo moderno con mayor potencia con la reducción de R6 y el uso de un BD135 para el transistor. La modulación se establece en R1.

Transmisor para comunicación óptica



