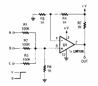
Se pueden usar comparadores equivalentes en esta puerta AND (Y). Lo encontramos en una Popular Electronics de los años 90. La alimentación depende de la lógica.

Puerta Y con operacional
Se pueden usar comparadores equivalentes en esta puerta AND (Y). Lo encontramos en una Popular Electronics de los años 90. La alimentación depende de la lógica.
