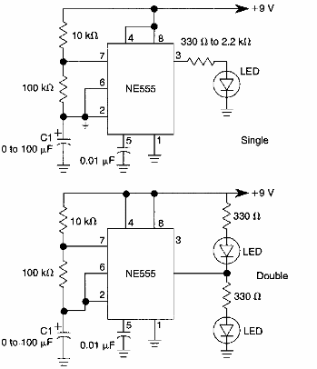
Estos dos circuitos para 1 y 2 LED se encontraron en la documentación estadounidense de los años 90. Los circuitos pueden ser alimentados por tensiones más bajas si se usan, por ejemplo, en dispositivos portátiles (vestibles).

Flash LED
Estos dos circuitos para 1 y 2 LED se encontraron en la documentación estadounidense de los años 90. Los circuitos pueden ser alimentados por tensiones más bajas si se usan, por ejemplo, en dispositivos portátiles (vestibles).
