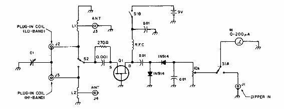
Este circuito amplificado se encontró en una revista para radioaficionados 73 de los 90. El circuito utiliza un indicador analógico, pero tiene una salida de indicador externo. El FET puede ser cualquier propósito general.

Medidor de intensidad de campo



