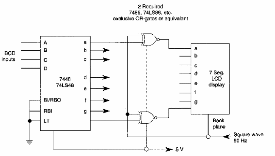
Encontrado en la documentación estadounidense de los años 90, este circuito utiliza tecnología TTL y, por lo tanto, es compatible con unidades de microcontrolador. El circuito debe ser alimentado por una tensión de 5 V.

Controlador LCD de 7 segmentos



