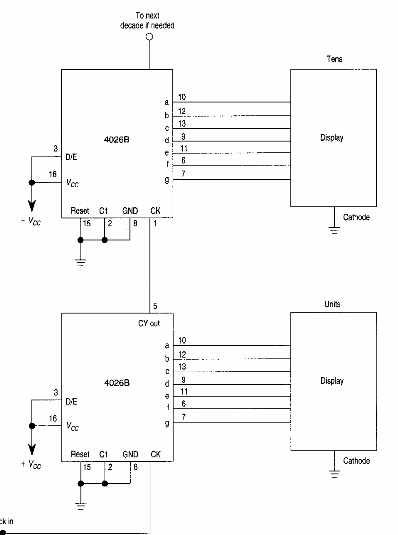
Aquí tenemos la manera de activar dos displays de cátodo comunes con circuitos integrados 4026. El circuito para decenas y unidades se puede extender.

Driver de display 4029
Aquí tenemos la manera de activar dos displays de cátodo comunes con circuitos integrados 4026. El circuito para decenas y unidades se puede extender.
