Encontramos este circuito en una documentación de Linear Technology de los años 90. Verifique la disponibilidad de nuevos equivalentes para el integrado si necesita un nuevo proyecto.

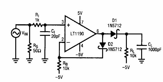
Detector de pulso rápido
Encontramos este circuito en una documentación de Linear Technology de los años 90. Verifique la disponibilidad de nuevos equivalentes para el integrado si necesita un nuevo proyecto.
