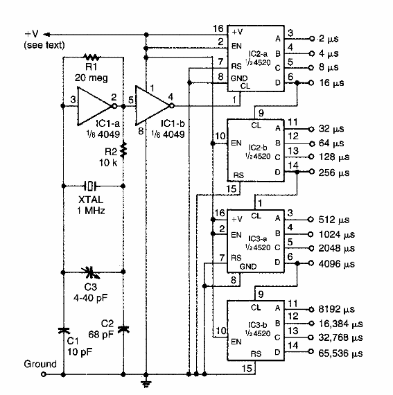
Encontrado en una Radio Electronics de los años 90, este circuito tiene varias salidas con diferentes tiempos de pulso. El circuito es CMOS y puede ser alimentado por tensiones de 5 a 15 V.

Base de tiempo múltiple
Encontrado en una Radio Electronics de los años 90, este circuito tiene varias salidas con diferentes tiempos de pulso. El circuito es CMOS y puede ser alimentado por tensiones de 5 a 15 V.
