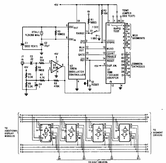
Encontrado en un PE Hobbyst de 1990, este circuito de 4 dígitos tiene una alta velocidad de respuesta. El circuito se basa en la lógica TTL.

Contador de 10 MHz
Encontrado en un PE Hobbyst de 1990, este circuito de 4 dígitos tiene una alta velocidad de respuesta. El circuito se basa en la lógica TTL.
