El termistor utilizado en este circuito debe tener una resistencia a temperatura ambiente entre 10 y 100k. El capacitor determina el rango de frecuencia y la alimentación del 741 debe ser simétrica.

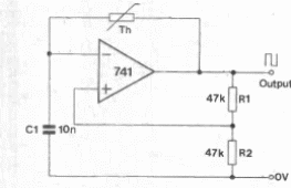
Oscilador controlado por temperatura
El termistor utilizado en este circuito debe tener una resistencia a temperatura ambiente entre 10 y 100k. El capacitor determina el rango de frecuencia y la alimentación del 741 debe ser simétrica.
