Utilizando un amplificador operacional 741 con fuente simétrica, este circuito se encontró en una documentación de 1982. La configuración se aplica a otras operacionales.

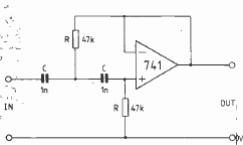
Filtro pasa alta de segundo orden
Utilizando un amplificador operacional 741 con fuente simétrica, este circuito se encontró en una documentación de 1982. La configuración se aplica a otras operacionales.
