Encontrado en una documentación inglesa de 1982, este circuito se puede cambiar para operar en un rango de frecuencia diferente. La fuente de alimentación debe ser simétrica.

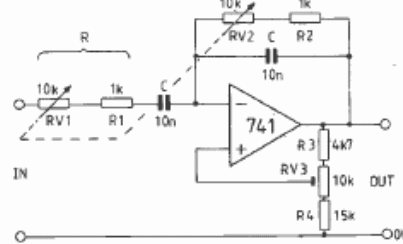
Filtro sintonizado con el 741
Encontrado en una documentación inglesa de 1982, este circuito se puede cambiar para operar en un rango de frecuencia diferente. La fuente de alimentación debe ser simétrica.
