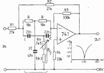
Encontrado en una revista Maplin de 1982, este circuito se puede cambiar para que funcione en otras frecuencias. La curva de respuesta se da al lado del diagrama.

Filtro de rechazo de 400 Hz
Encontrado en una revista Maplin de 1982, este circuito se puede cambiar para que funcione en otras frecuencias. La curva de respuesta se da al lado del diagrama.
