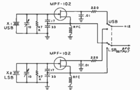
Este oscilador de doble latido se encontró en una documentación estadounidense de la década de 1970. Los FET admiten equivalentes. El cristal está de acuerdo con las bandas laterales que deben recibirse.

BFO para SSB
Este oscilador de doble latido se encontró en una documentación estadounidense de la década de 1970. Los FET admiten equivalentes. El cristal está de acuerdo con las bandas laterales que deben recibirse.
