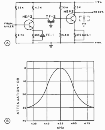
Este circuito se encontró en una documentación estadounidense de 1977. El resonador mecánico o filtro cerámico es de 455 kHz. Este componente no es muy común hoy en día.

Filtro con resonador mecánico
Este circuito se encontró en una documentación estadounidense de 1977. El resonador mecánico o filtro cerámico es de 455 kHz. Este componente no es muy común hoy en día.
