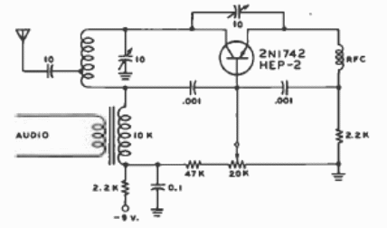
Este circuito se encontró en una documentación estadounidense de 1977. El circuito se puede implementar con componentes equivalentes modernos. La bobina depende de la banda sintonizada. Se utilizan 4 vueltas en forma de 1 cm sin núcleo para la banda de 100 MHz

Receptor VHF súper regenerativo



