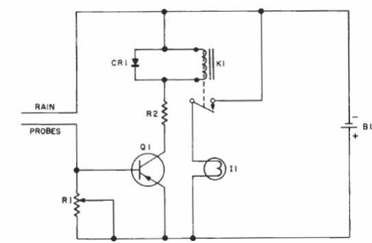
Este circuito activa un relé cuando las gotas de lluvia caen sobre el sensor. El circuito es de una documentación de Sylvania de 1960. El relé está de acuerdo con ta tensión de la batería.

Alarma de lluvia

Alarma de lluvia
Este circuito activa un relé cuando las gotas de lluvia caen sobre el sensor. El circuito es de una documentación de Sylvania de 1960. El relé está de acuerdo con ta tensión de la batería.

