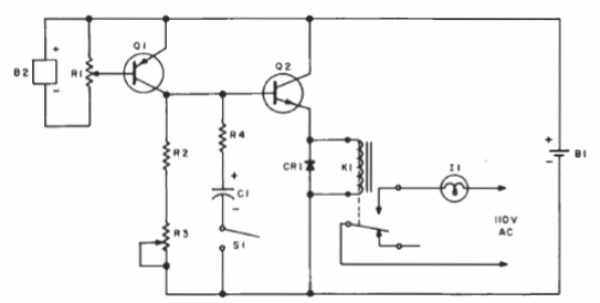
Encontramos este circuito en un manual de transistor Sylvania de 1960. El relé puede ser de 12 V y C1 determina el tiempo de activación. El sensor es una fotocélula.

Luz de garaje automática

Luz de garaje automática
Encontramos este circuito en un manual de transistor Sylvania de 1960. El relé puede ser de 12 V y C1 determina el tiempo de activación. El sensor es una fotocélula.

