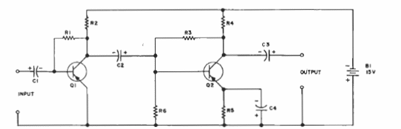
Este preamplificador de dos transistores se encontró en un manual de transistores Sylvania de 1960. La impedancia de salida es de aproximadamente 50 ohms. La respuesta de frecuencia es amplia.

Preamplificador de micrófono

Preamplificador de micrófono



