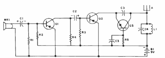
Este circuito de corto alcance para el rango AM se encontró en un manual de transistor Sylvania de 1960. El micrófono es dinámico y L1 puede tener 80 vueltas de cable 28 en una barra de ferrita. La antena es telescópica.

Micrófono inalámbrico

Micrófono inalámbrico



