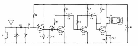
Encontramos este receptor de 4 transistores para la gama AM en un manual de Transistores de 1960 de Sylvania. Los transistores pueden ser tipos actuales de propósito general. Una bobina simple estaría formada por 80 vueltas de alambre 28 en una barra de ferrita.

Receptor de AM

Receptor de AM



