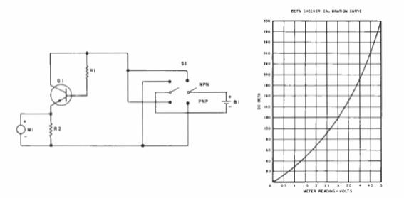
Este medidor de ganancia de transistor se encontró en un manual de transistores Sylvania de 1960. El circuito es para transistores de propósito general y el gráfico muestra las lecturas obtenidas.

Beta Meter

Beta Meter
Este medidor de ganancia de transistor se encontró en un manual de transistores Sylvania de 1960. El circuito es para transistores de propósito general y el gráfico muestra las lecturas obtenidas.

