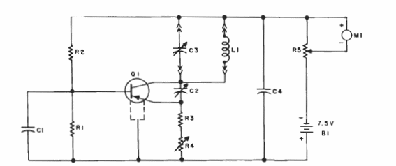
Encontrado en un manual de transistores de Sylvania de 1960, este circuito puede implementarse con componentes modernos. El circuito necesita ser cambiado para operar por debajo de 100 kHz.

Grid dip meter

Grid dip meter
Encontrado en un manual de transistores de Sylvania de 1960, este circuito puede implementarse con componentes modernos. El circuito necesita ser cambiado para operar por debajo de 100 kHz.

