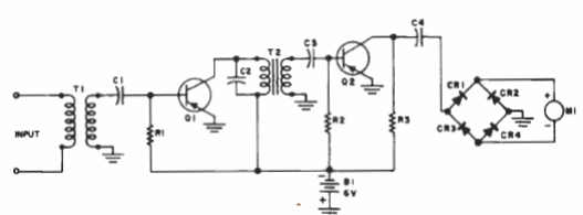
Este circuito se obtuvo en un manual de transistores de 1960 de Sylvania. El circuito se puede implementar con transistores equivalentes. El circuito es para un puente de audio.

Detector de nulo para puente

Detector de nulo para puente
Este circuito se obtuvo en un manual de transistores de 1960 de Sylvania. El circuito se puede implementar con transistores equivalentes. El circuito es para un puente de audio.

