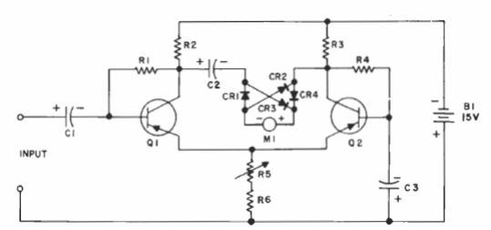
Encontrado en un manual de Transistores de Sylvania de 1960 de Sylvania, este circuito utiliza transistores de esa época. El instrumento es un microamperímetro a escala completa de 10 uA.

Voltímetro de audio

Voltímetro de audio
Encontrado en un manual de Transistores de Sylvania de 1960 de Sylvania, este circuito utiliza transistores de esa época. El instrumento es un microamperímetro a escala completa de 10 uA.

