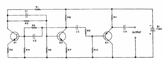
Este oscilador se obtuvo en un manual de Transistores de Sylvania de 1960 de Sylvania. Los transistores son de esa época, pero el circuito se puede implementar con transistores equivalentes modernos.

Oscilador de calibración

Oscilador de calibración



