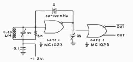
Los circuitos lógicos ECL pueden operar a frecuencias muy altas. Este circuito se obtuvo de un Radio Handbook de 1977. La alimentación es de 12 V.

Oscilador ECL de 100 MHz
Los circuitos lógicos ECL pueden operar a frecuencias muy altas. Este circuito se obtuvo de un Radio Handbook de 1977. La alimentación es de 12 V.
